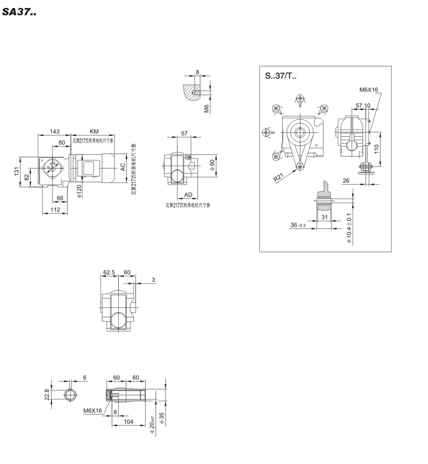
斜齿轮蜗轮减速机采用电机直联形式,结构为一级斜齿轮加一级蜗轮蜗杆传动。输出为轴装式,具有六种基本安装形式。 可正反转运转,斜齿轮采用硬齿面,运转平稳,承载能力大,工作环境温度-10℃~40℃,该产品与同类产品比具有速度变化范围大,结构紧凑,安装方便等特点。
上一篇:SAF系列蜗轮蜗杆减速机
下一篇:S 系列蜗轮蜗杆减速机
网站首页
电话
短信
联系我们